

應用范圍:自動拖把機、制氧機、加濕器、咖啡機、循環扇、洗碗機、發藥器等
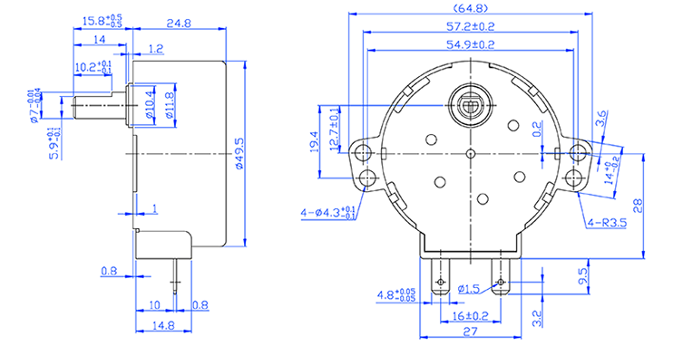
外觀安裝尺寸圖 SCHEMATIC CIRCUIT
電機主要性能表 SPECIFICATION
上一個:同步電機49TYJ-L-I
下一個:49TYJ-C-XII



