

應用范圍:空調、智能潔具、監控器、茶壺機、加濕器、新風系統等
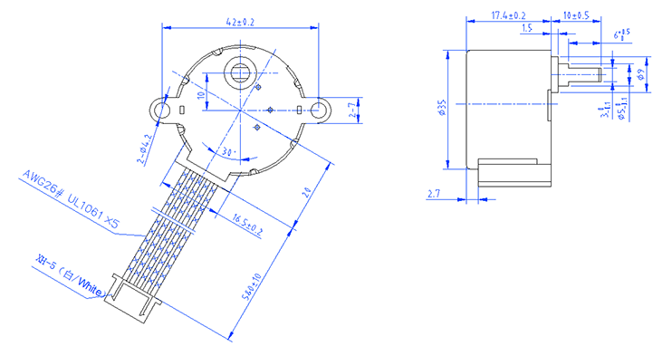
外觀安裝尺寸圖 SCHEMATIC CIRCUIT
電機主要性能表 SPECIFICATION
上一個:步進電機28BYJ
下一個:同步電機49TYJ-B-V



